W - Ktlm ステンレス鋼製エルボバイトタイプ継手

上海若松金属製品株式会社 ホーム / 製品 / ステンレス鋼管継手 / ステンレス鋼製カードケース式継手 / W - Ktlm ステンレス鋼製エルボバイトタイプ継手
  • W - Ktlm ステンレス鋼製エルボバイトタイプ継手
  • W - Ktlm ステンレス鋼製エルボバイトタイプ継手

W - Ktlm ステンレス鋼製エルボバイトタイプ継手

特徴: 活荷重およびデュアルフェルール設計。

ナットは、取り付け時の焼き付きを防ぐためにコーティングされており、繰り返し分解して再利用できます。

説明 お問い合わせ
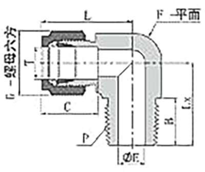
外部寸法:

モデル

L

C

E

B

Lx

反対側

種類

T

P(R)スレッド

ナットG

本体F

W-KTLM

3.18(1/8)

1/8

23.6

12.7

2.4

9.7

17.8

11.1

11.1

1/4

24.6

12.7

2.4

14.2

23.4

11.1

12.7

4

1/8

25.4

13.7

2.4

9.7

18.8

12

12.7

1/4

25.4

13.7

2.4

14.2

23.4

12

12.7

6

1/8

27

15.3

4.8

9.7

18.8

14

12.7

1/4

27

15.3

4.8

14.2

23.4

14

12.7

3/8

29.8

15.3

4.8

14.2

26.2

14

12.7

6.35(1/4)

1/8

26.9

15.2

4.8

9.7

18.8

14.3

12.7

1/4

26.9

15.2

4.8

14.2

23.4

14.3

12.7

3/8

29.7

15.2

4.8

14.2

26.2

14.3

17.5

1/2

31.8

15.2

4.8

19.1

33.0

14.3

20.6

8

1/8

28.8

16.2

4.8

9.7

19.8

16

14.3

1/4

28.8

16.2

4.8

14.2

24.2

16

14.3

3/8

30.6

16.2

4.8

14.2

26.2

16

17.5

1/2

32.6

16.2

4.8

19.1

33.0

16

20.6

9.53(3/8)

1/8

30.5

16.8

4.8

9.7

20.8

17.5

15.9

1/4

30.5

16.8

7.1

14.2

25.4

17.5

15.9

3/8

31.2

16.8

7.1

14.2

26.2

17.5

17.5

1/2

33.3

16.8

7.1

19.1

33.0

17.5

20.6

10

1/4

34.5

17.2

7.1

14.2

26.2

19

17.5

3/8

34.5

17.2

7.9

14.2

26.2

19

17.5

1/2

33.5

17.2

7.9

19.1

33.0

19

20.6

12

1/4

36

22.8

7.1

14.2

28.2

22

20.6

3/8

36

22.8

9.5

14.2

28.2

22

20.6

1/2

36

22.8

9.5

19.1

33.0

22

20.6

12.7(1/2)

1/4

36.1

22.9

7.1

14.2

28.2

22.2

20.6

3/8

36.1

22.9

9.7

14.2

28.2

22.2

20.6

1/2

36.1

22.9

10.4

19.1

33.0

22.2

20.6

注: L、Cは手締め時の寸法です。 T 寸法 ( ) の寸法はインチ単位です。

製品の説明:
  • 上海若松金属製品株式会社
接続を維持します 私たちとパートナーを組んでください
  • 必須フィールドは * とマークされています。
    あなたの提案や質問は私たちから高く評価されています。若松が提供する商品やサービスについてご質問がある場合は、以下のフォームにご記入ください。できるだけ早くご連絡させていただきます。

会社案内
上海若松金属製品株式会社

上海若松金属製品株式会社は2003年に設立された日資独資企業で、上海金沢鎮に位置しています。当企業は江蘇省、浙江省、上海市が交わる「黄金の三角地帯」に位置しています。

長江デルタ生態・グリーン統合発展モデル区の中核として、優れた地理的優位性、美しい環境、便利な交通網を誇ります。国道318号線が全域を貫通し、湖清平高速道路と軌道交通(地下鉄)が縦横に走り、上海と江蘇省、浙江省、安徽省などの地域を結んでいます。

敷地面積9,400平方メートルの当社工場には先進的なCNC加工設備を完備し、長年ステンレス鋼管継手・接合部品・締結部品のR&D及び生産に注力。建築装飾、医療機器、消防設備、産業施設など幅広い分野で採用され、日本・欧米・東南アジアなどへ輸出されています。

当社のエンジニアと技術者は日本の製造業において豊富な経験を有しています。厳格な管理体制により、安定した信頼性の高い製品品質を確保しています。2008年にISO9001品質マネジメントシステム認証を取得して以来、「優れた品質、持続可能な運営」の理念を堅持し、お客様に高品質な製品と優れたサービスを提供し続けています。

工場シナリオ
  • オフィス
  • 会議室
  • ワークショップ
  • ワークショップ
  • ワークショップ
  • ワークショップ
  • ワークショップ
  • ワークショップ
  • ワークショップ
  • 倉庫
  • パック
  • 展示
ニュース
  • とは何ですか ステンレス鋼製ねじ継手 NPT/BSPT ? あ ステンレス鋼製ねじ継手 NPT/BSPT は、産業および配管システムで広く使用されているパイプ コネクタの一種です。これらの継手は、ネジ端を使用してパイプを接続するように設計されており、漏れのない安全な...

    もっと読む
  • とは何ですか ステンレス製工業用フランジ ? あ ステンレス製工業用フランジ 産業用配管システムのパイプ、バルブ、ポンプ、その他の機器を接続するために使用される機械部品です。高級ステンレス鋼製で、高圧、高温条件下でも優れた耐食性、耐久性、信頼性を発揮します。フランジ...

    もっと読む
  • はじめに: 高信頼性配管システムのバックボーン 工業、化学、製薬、食品加工の配管の世界では、システムの完全性が最も重要です。流体、ガス、または蒸気の輸送で絶対的な信頼性、漏れのないシール、および極端な腐食、圧力、および温度に対する耐性が必要な場合はどこでも、 ステンレス鋼製突合せ溶接継手 ...

    もっと読む
  • 耐食性流量制御の究極ガイド 工業プロセス制御の複雑な世界では、材料の選択は好みの問題ではなく、必然的なものです。攻撃的な媒体、極端な温度、または厳しい純度要件を扱う場合、標準的な材料では急速な劣化、高価な漏れ、および壊滅的なシステム障害が発生する可能性があります。ここは、 ステンレス製コント...

    もっと読む
  • 工業用流体およびガス輸送の世界では、効率、信頼性、安全性が最も重要です。 ステンレス製クイックコネクター は、化学処理や食品・飲料から医薬品や高純度機器に至るまで、さまざまな分野にわたってこれらの目標を達成するための基礎となる技術として浮上してきました。組み立てに工具と長時間を必要とす...

    もっと読む
  • はじめに ステンレス鋼製突合せ溶接継手 工業用配管システムの重要なコンポーネントであり、パイプ、バルブ、その他の機器の接続に使用されます。これらの継手は突合せ溶接技術を使用してパイプに溶接されており、強力で漏れがなく、耐久性のある接続が保証されます。突合せ溶接継手は、極端な条件に耐えられるため、...

    もっと読む
  • 材料、規格、用途の選択に関する究極のガイド 完璧なものを選択する 耐食性ステンレス鋼のネジ付きコネクタ 配管システムの安全性、寿命、信頼性に影響を与える重要な決定です。選択を誤ると、漏れ、汚染、システム障害、およびコストのかかるダウンタイムが発生する可能性があります。このガイドは...

    もっと読む
  • はじめに 現代の工業生産では、 ステンレス製コントロールバルブ フロー制御システムには欠かせないコンポーネントとなっています。流体の流れ、圧力、温度を正確に調整できるだけでなく、生産の安全性を確保し、効率を向上させ、機器の寿命を延ばす上でも重要な役割を果たします。産業オートメーシ...

    もっと読む
  • ステンレス鋼は確かに皆様に馴染み深いものです。生活の中で至る所に見られます。例えばステンレス製魔法瓶カップやステンレス製ボウルなど。実際、ステンレス鋼管継手は食品・医療、金属製品、機械設備などの産業で広く使用されています。具体的な用途によって、ステンレス鋼管継手の硬度に対する要求は異なります。もしご存じでしたら、科学的...

    もっと読む
  • 大型の金属容器と数百キロメートルの流体輸送パイプラインの両方が溶接で接続されています。溶接法により、優れた機械的特性を有する溶接継手を得ることができます。しかし、溶接の過程では、人的要因やその他の自然要因の影響により、溶接形成の過程に必然的にさまざまな欠陥が生じます。溶接部の漏れの大部分は、溶接プロセスで残った溶接欠陥...

    もっと読む
  • 製品機能: 主にパイプライン内の媒体の切り替え、遮断、接続に使用され、流体の調整や制御にも使用できます。パイプラインの切り替えや流れを簡単に制御できるだけでなく、美しい効果も得られます。 製品の特徴:バルブはコンパクトな構造、シール面と球面の間の信頼性の高いシール、シンプルな構造、便利なメンテナンス、閉...

    もっと読む
  • ボールバルブの紹介: ボールバルブは主にパイプライン内の媒体の流れを遮断、分配、変更するために使用されます。ボールバルブは広く使用されている新しいタイプのバルブです。その動作原理は、バルブコアを回転させることでバルブの詰まりを解消または遮断することです。ボールバルブはスイッチが軽く、容積が小さいという利点が...

    もっと読む